Modelos de Sensores para Atmosfera (sem contato com o metal)

A Mit Exacta fabrica somente os termopares para a atmosfera do forno (sem contato com o metal ferroso)

Tipo K : Modelos : EX-15 / EX-17 / EX-19 / EX-04 / EX-06 / EX-07Bainha 304 : indicado até 700ºCBainha 316 : indicado até 850ºCBainha 310 : indicado até 1080ºCBainha Inconel : indicado até 1100ºC (em atmosferas que não contenham enxofre – sulfurosas) 

Tipo N : Modelos : EX-15 / EX-17 / EX-19 / EX-04 / EX-06 / EX-07Bainha nicrobell B : indicado até 1300ºC Termopares tipo S (PtPtRh10%) : Modelos : EX-08 / EX-10Com tubo de proteção cerâmica em alta alumina tipo alsint 710 (99,7% alumina) : indicado para temperaturas entre 1200 e 1600ºC Termopares tipo B (PtRh30%PtRh6%)  : Modelos : EX-08 / EX-10Com tubo de proteção cerâmica em alta alumina tipo alsint 710 (99,7% alumina) : indicado para temperaturas entre 1450 e 1850ºC

Como especificar , informar :

1)       Temperatura real de trabalho

2)      Modelo : Exemplo : EX- 06

3)      Tipo do termopar : K , J , S , N , outros

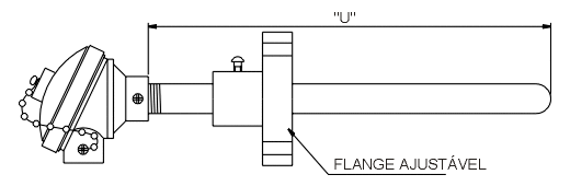
4)      Comprimento U em mm *

5)      Diâmetro do tubo (cotaremos o solicitado ou o mais aproximado)

6)      Tipo da rosca (EX-17) : Exemplo : ½” NPT7)      Comprimento do cabo “R” (EX-15)8)      Tipo do cabeçote alumínio (todos os modelos com exceção EX-15 e EX-19) 🙁      ) Tampa parafusada – conduite = ½” com prensa-cabo (mod. econômico)(      ) Tampa rosqueada à prova de tempo – conduíte = ½” com prensa-cabo * : Somente a extremidade do tubo do termopar é sensível à captação da temperatura, em regras gerais podemos considerar os últimos 10 ou 20mm (depende do diâmetro do tubo). Portanto, não deixá-lo dentro do refratário ou da parede do forn

Veja também as fotos ilustrativas