A Mit Exacta é uma empresa especializada na fabricação de sensores de temperatura, como termopares e termorresistências PT 100. Além disso, oferecemos uma variedade de acessórios para complementar e otimizar o uso desses sensores.

Nossos cabeçotes são projetados para proteger e isolar os sensores de temperatura em ambientes industriais. Além de permitir uma conexão segura e confiável entre o sensor e o cabo de extensão, protegendo as ligações contra a abrasão, corrosão e ruptura causada pela manipulação, eles facilitam a instalação e a verificação da ligação. Eles são fabricados com materiais de alta qualidade que garantem resistência e durabilidade e são projetados para a montagem com bloco de ligação ou com transmissores.

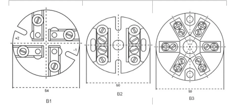
Os blocos de ligação são utilizados para fazer a ligação dos cabos de maneira fácil e eficiente, sendo componentes essenciais para garantir a precisão e a estabilidade das medições de temperatura. Eles ajudam a minimizar interferências e ruídos externos, proporcionando resultados mais confiáveis.

Os isoladores cerâmicos desempenham um papel fundamental na proteção e isolamento de sensores de temperatura. Esses dispositivos são projetados para suportar altas temperaturas e fornecer uma barreira elétrica confiável entre o sensor e outros componentes eletrônicos.

Para permitir um fácil ajuste no comprimento de inserção do sensor no processo, fabricamos conexões ajustáveis para termopares e termoresistências.

Os conectores compensados são usados em aplicações industriais, laboratoriais e científicas de alta precisão, as quais requerem medições de temperatura que evitem erros de medição causados pela diferença de temperatura entre o ponto de medição e o ponto de conexão do termopar com o instrumento de medição. Na Mit Exacta você vai encontrar conectores compensados compatíveis com diferentes tipos de termopares, tais como tipo K, tipo J, tipo T, tipo E, entre outros.

Nossos acessórios para sensores de temperatura são fabricados, testados e certificados para garantir a máxima qualidade e confiabilidade. Na Mit Exacta, estamos comprometidos em fornecer sensores de temperatura de alta qualidade e acessórios confiáveis para atender às necessidades de nossos clientes. Entre em contato conosco para saber mais sobre nossos produtos e como eles podem melhorar suas medições de temperatura.